Shadow Pattern on PV

To model shadow patterns on photovoltaic arrays using integrated deep learning and image processing framework


Energy & Environment

Mitacs

Description

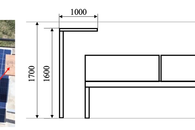
Shading which could occur both in regular and irregular patterns often compromises the performance of PV arrays. While regular shading from surrounding structures can be identified, irregular shading causes unpredictable energy losses. This project developed and compared two methods for detecting shadow patterns on PV arrays, utilizing Deep Learning-based Deep Hough Transform and the Classic Hough Transform for pixel-wise segmentation of PV images. The proposed method does not require a specific dataset of PV images, as it learns from semantic features such as the straight lines occurring in images for image segmentation. Moreover, a 1-kilowatt capacity solar array with planned shading devices was developed and used to perform the experimental analysis. The proposed methodology achieved a mean Intersection over Union of 0.85, indicating 32.81% improvement in solar array detection compared to Classic Hough Transform methods.